Power Steering Pump to Steering Gear Pressure Line
Power Steering Pump to Steering Gear Pressure Line
Material


Removal and Installation
All vehicles
CAUTION: While repairing the power steering system, care should be taken to prevent the entry of contaminants or premature failure of the power steering components can result.
NOTE: New O-rings must be installed any time the lines are disconnected from the steering gear.
1. With the vehicle in NEUTRAL, position it on a hoist.
2. Drain the power steering fluid into a suitable drain pan.
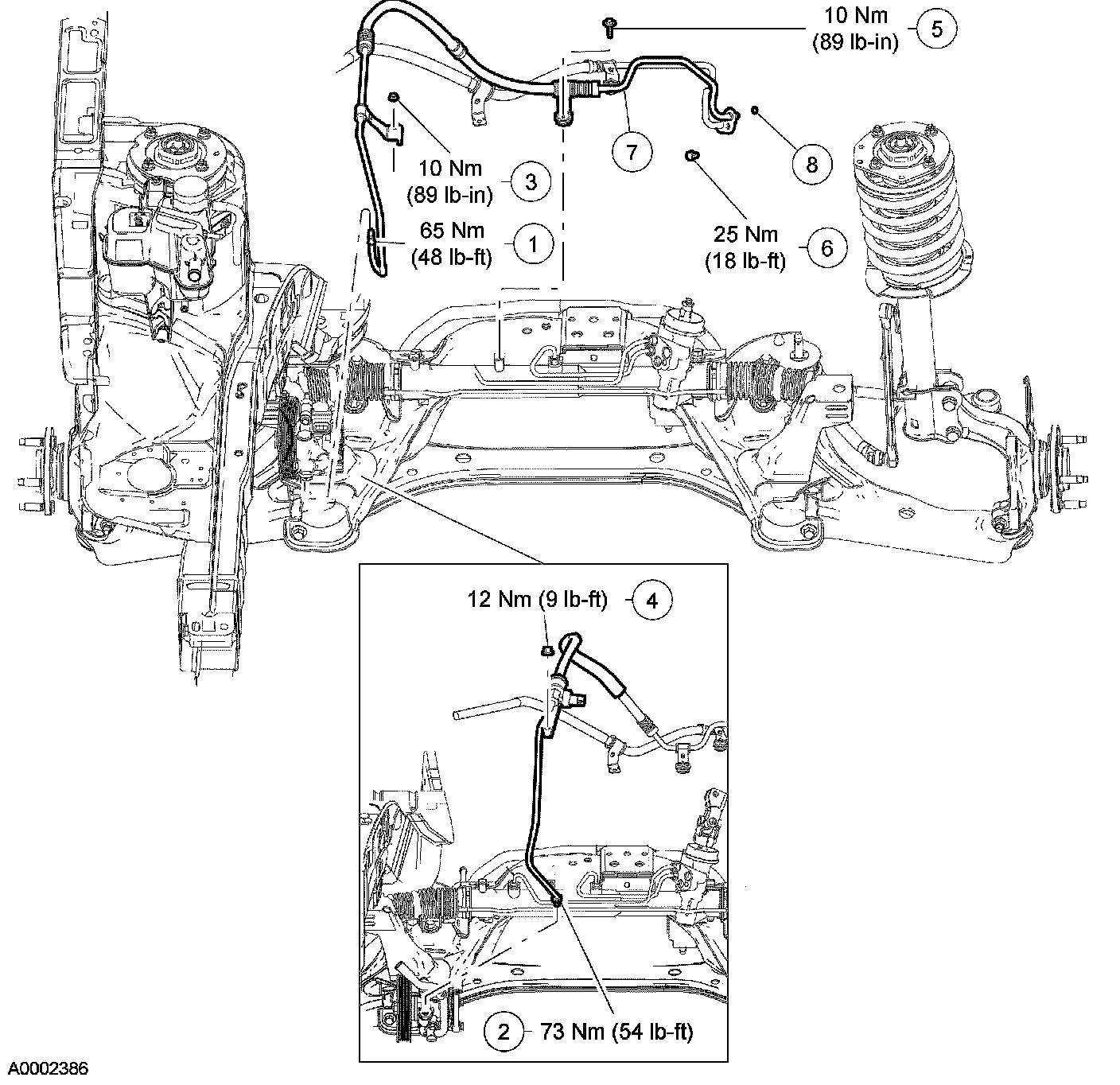
3. Remove the power steering pressure line fitting nut.
^ To install, tighten to 65 Nm (48 ft. lbs.) (2.3L engine).
^ To install, tighten to 73 Nm (54 ft. lbs.) [3.0L (4V) engine].
4. Remove the power steering pressure line bracket nut.
^ To install, tighten to 10 Nm (89 inch lbs.) (2.3L engine).
^ To install, tighten to 12 Nm (9 ft. lbs.) [3.0L (4V) engine].
3.0L (4V) only
5. Disconnect the Power Steering Pressure (PSP) switch electrical connector.
All vehicles
6. Remove the power steering pressure line bracket-to-steering gear bolt.
^ To install, tighten to 10 Nm (89 inch lbs.).
7. Remove the power steering line clamp plate bolt.
^ To install, tighten to 25 Nm (18 ft. lbs.).
8. NOTE: The power steering pressure and return lines are of different diameters and the O-rings are not interchangeable.
Rotate the clamp plate and remove the power steering pump-to-steering gear pressure line.
^ Install a new high pressure line O-ring.
9. To install, reverse the removal procedure.
10. Fill the power steering system.