Air Register: Service and Repair
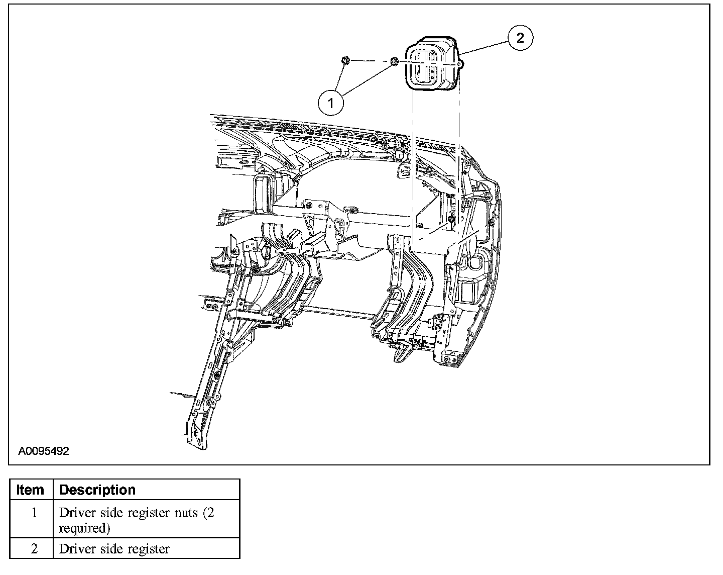
DRIVER SIDE REGISTER
Removal and Installation
1. Remove the center register duct.
2. Remove the 2 driver side register nuts and the driver side register.
3. To install, reverse the removal procedure.
CENTER REGISTERS

Removal and Installation
1. Remove the instrument panel center finish panel.
2. Release the tabs and remove the RH and LH center registers.
3. To install, reverse the removal procedure.
PASSENGER SIDE REGISTER

Removal and Installation
1. Remove the center register duct.
2. Remove the 2 passenger side register nuts and the passenger side register.
3. To install, reverse the removal procedure.