Engine Mount: Service and Repair
Engine Support Insulators
Special Tool(s)


Removal and Installation

1. Using the special tools, support the engine.
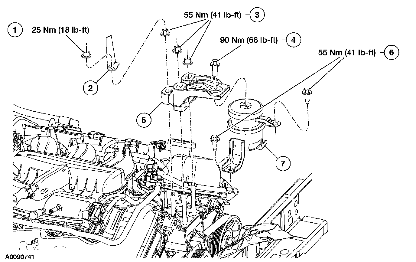
2. Remove the nut and position the PSP tube bracket aside.
^ To install, tighten to 25 Nm (18 ft. lbs.).
3. Remove the 3 engine support insulator bracket nuts.
^ To install, tighten to 55 Nm (41 ft. lbs.).
4. Remove the bolt and the engine support insulator bracket.
^ To install, tighten to 90 Nm (66 ft. lbs.).
5. Remove the 3 bolts and the engine support insulator.
^ To install, tighten to 55 Nm (41 ft. lbs.).
6. To install, reverse the removal procedure.