back to filter research

testing filter testing filter:



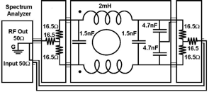
Measurement-setup-of-the-filter-attenuation:


principle:



highest resolution images
last updated 08/19/2023 at 10:42:58