back to dtmf
MT8870 dtmf
MT8870 dtmf:
datasheet.png
DTMF RECEIVER IC MT8870 TESTERw:
  
  
  mt8870,dtmf decoder.pdf (466 KB)
piccon_schematic usage.png
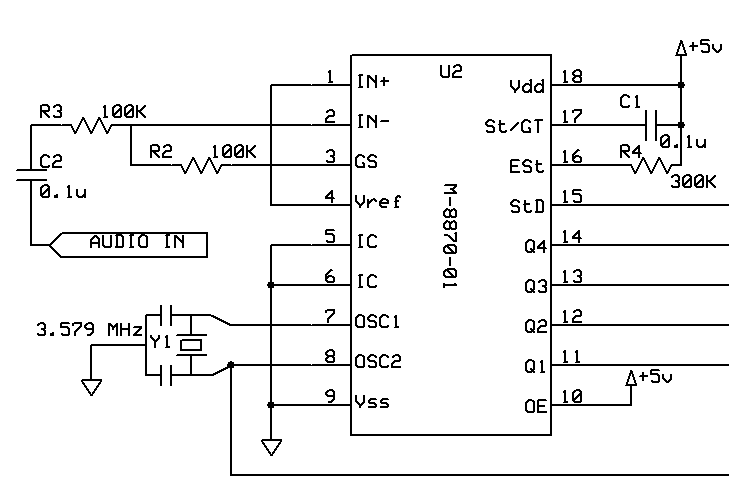
rpc2a-schematic.jpg (390 KB)
last updated 05/20/2025 at 19:16:16 by make_www_index.command version 2025.05.20.B