back to audio signal generators
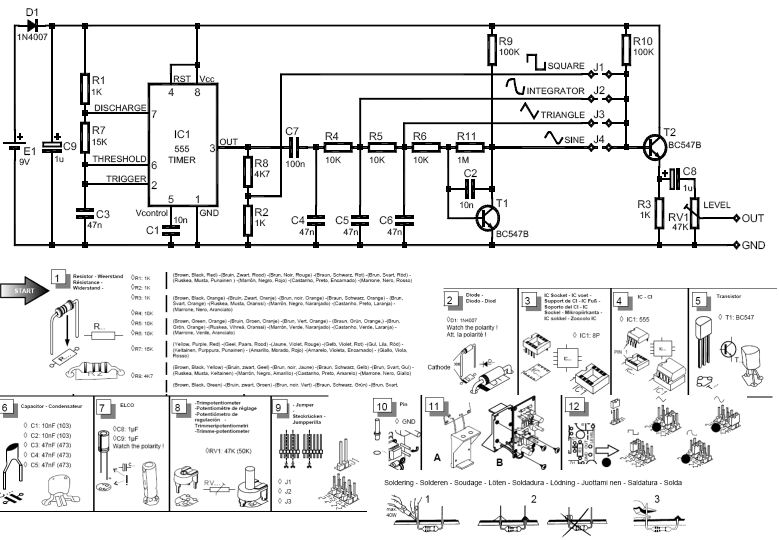
Velleman PMK105 function gen
Velleman PMK105 function gen:
DIYsignalgenerator.jpg

manual_mk105_decrypted.pdf

Signal Generator Minikit.pdf
last updated 02/17/2026 at 16:12:03 by make_www_index.command version 2026.02.05.A